|
Stand 26.04.2026 Boxen-Projekt 12: Regent-60-Tuning
|
| Zht (Ohm) |
Rs (Ohm) |
L (dB) |
| >=12 |
0 |
0 |
| 11 |
1 |
0,8 |
| 10 |
2 |
1,6 |
| 9 |
3 |
2,5 |
| 8 |
4 |
3,5 |
| 7 |
5 |
4,7 |
| 6 |
6 |
6,0 |
| 5 |
7 |
7,7 |
| 4 |
8 |
9,6 |
| Hochton-Lautsprecher |
Frontmaße (BxH mm) |
Ausschnitt (mm) |
Dc (mm) |
fu (kHz) |
fo (kHz) |
Z** (Ohm) |
P RMS (W) |
Treiber SPL** (dB SPL) |
SPL mit Rs (dB SPL) |
Differenz (dB)*** |
Öffnungswinkel HxV (°) |
Preis 11-2024 (EUR) |
| 1. Eminence APT80 V2 | 87x87 |
D=80 |
25 |
3,5 |
15 |
8 |
45 |
103 |
99 |
4 |
k.A. |
67 |
| 2. Monacor MHD-230-RD | D=120 |
D=90 |
25 |
4,0 |
16 |
9 |
40 |
110 |
107 |
6 |
60 kon. |
(58) |
| 3. Monacor MHD-230-SQ | 115x115 |
90x90 |
25 |
4,0 |
16 |
9 |
40 |
110 | 107 |
5 |
60x60 | (58) |
| 4. Monacor MHD-220N/RD |
D=106 |
D=75 |
25 |
4,0 |
20 |
9 |
30 |
105 |
102 |
5 |
75 kon. |
(60) |
| 5. beyma CP-09 |
92X92 |
90x70 |
25,4 |
6 |
20 |
7 |
15 |
105 |
100 |
6 |
90x60 |
65 |
| 6. beyma CP12/N |
87x87 |
D=74 |
25,8 |
3,0 (6,0)* |
20 |
9 |
15 |
107 |
104 |
6 |
40 kon. |
59 |
| 7. beyma CP16 |
86x86 |
D=75 |
25,8 |
3,0 (6,0)* |
20 |
9 |
15 |
107 |
104 |
6 |
40 kon. | 55 |
| 8. beyma CP22 |
102x102 |
D=92 |
37,6 |
4,0 |
20 |
9 |
25 |
108 |
104 |
7 |
40 kon. | 125 |
| 9. Selenium DT-150 |
115x115 |
85x85 |
25 |
(4,0)* |
15 |
10 |
(75)* |
106 |
104 |
4 |
60x60 |
- |
| 10. Selenium ST-200 |
115 x124 |
D=105 |
46 |
(5,0)* |
18 |
7 |
(140)* |
109 |
104 |
5 |
40 kon. |
42 |
| 11. Selenium ST302-X |
115 x124 | D=109 |
46 |
5 |
20 |
7 |
16 |
105 |
102 |
5 |
40 kon. |
(70$) |
| 12. Selenium ST-350 |
121x130 |
D=106 |
42 |
5 |
20 |
7 |
(150) |
110 |
105 |
4 |
50 kon. |
- |
| 13. Selenium ST-400 trio/blk |
120x140 |
D=106 |
42 |
6,0 |
18 |
8 |
20 |
111 |
107 |
2 |
40 kon. |
115 |
| 14. Selenium ST-450 TRIO |
120x140 |
D=106 |
42 |
5 |
20 |
8 |
(200) |
108 |
104 |
5 |
40 kon. |
(100) |
| 15. Audio Systems HS 38 PA |
110x110 |
D=90 |
38 |
3,0 |
19 |
(4) |
(100) |
106 |
96 |
7 |
50x40 |
49 |
| 16, Faital FD371 |
102x102 |
D=91 |
37 |
2,6 |
20 |
7 |
35 |
107 |
102 |
5 |
40 kon |
140 |
| 17. B&C DE35 |
D=100 |
D=78 |
37 |
5* |
18 |
8 |
25* |
107 |
103 |
5 |
70 kon. |
80 |
monacor MHD 230 RD (Quelle Monacor-Datenblatt)![]() |
monacor MHD 230 SQ (Quelle Monacor-Datenblatt)![]() |
beyma CP12N (Quelle
beyma-Datenblatt)![]() |
beyma CP16 (Quelle beyma-Datenblatt)![]() |
selenium ST200 (Quelle
selenium-Datenblatt)![]() |
| Hersteller und Typ |
Befestigung |
Dc (mm) |
Durchmesser (mm) |
Z (Ohm) |
fu (kz) |
fo (kHz) |
Treiber SPL (dB SPL) |
SPL mit Rs (dB SPL) |
P RMS (W) |
Preis 11-2024 (EUR) |
| 1. Celestion CDX1-1010 |
35 mm |
25 |
90 |
9 |
2,2 |
13 |
108 |
105 |
15 |
40 |
| 2. Monacor MRD-80 |
35 mm |
25,5 |
80 |
(8) |
(5) |
(17,5) |
(107) |
(103) |
30 |
23 |
| - Monacor MRD-34PA |
35 mm |
34,5 |
87 |
8 |
4 |
)15) |
104 |
100 |
35 |
33 |
| 3: Eighteensound HD125-16 |
4x M5 |
24,4 |
87 |
16 |
4 |
15 |
105 |
105 |
25 |
61 |
| 4. Oberton D 2538-16 |
2x M5 |
38 |
96 |
12 |
4 |
11 |
103 |
103 |
30 |
59 |
| 5. SB Audience BIANCO-25CD-P |
2x M6 |
25 |
90 |
7 |
4 |
18 |
108 |
103 |
20 |
25 |
| 6. SB Audience BIANCO-34CD-T |
4x M6 |
34 |
90 |
7 |
5 |
20 |
105 |
100 |
30 |
58 |
| 7. SB Audience Bianco-44CD-T |
4x M6 |
44 |
115 |
9 |
5 |
18 |
105 |
102 |
50 |
62 |
| 8. The box pro
T44L (DSP115) |
35 mm |
44 |
115 |
(8) |
(1,2) |
(18) |
(107) |
(103) |
45 |
35 |
| 9. B&C DE10 |
2x M5 |
25 |
90 |
7 |
44 |
11 |
107 |
102 |
20 |
42 |
| 10. Selenium D250X |
35 mm | 51 |
112 |
10 |
1 |
9 |
(107) |
- |
40 |
75 |
| 11. Selenium D202Ti |
35 mm | 44 |
90 |
8 |
2 |
20 |
105 |
101 |
20 |
84 |
| Herstellerangaben Bezeichnung: beyma CP12/N-8 Prms = 15 W AES / 30 W program Schwingspulendurchmesser d= 25,8 mm Re = 5,0 Ohm Impedanz Z= 8 Ohm Öffnungswinkel: 40° konisch (Resonanzfrequenz fs nicht angegeben, auch nicht im Impedanz-/Frequenzgang sichtbar) empf. Frequenzbereich: 3 besser 6... 20 kHz empf. Weiche: 6 kHz mit HP 2. Ordnung Kennschalldruck: 107 dB SPL (1 W, 1 m) Masse m= 750 g Preis: 59,00 EUR (bei Thomann) |
Bild des Hochtöners (Quelle
beyma-Datenblatt)![]() |
Frequenzgang (Quelle
beyma-Datenblatt):![]() |
Impedanzgang (Quelle
beyma-Datenblatt):![]() |
Rundstrahlverhalten (Quelle
beyma-Datenblatt):![]() |
Maße (Quelle beyma-Datenblatt):![]() |
| Dämpfung (dB) |
Zht (Ohm) |
R1 (Ohm) |
R2 (Ohm) |
| 4,7 |
7 |
5,0 |
- |
| 5 |
7 |
5,3 |
180 |
| 6 |
7 |
6 |
43 |
| 3,5 |
8 |
3,9 |
- |
| 4 |
8 |
4,4 |
141 |
| 5 |
8 |
5,2 |
43 |
| 6 |
8 |
6 |
24 |
| 7 |
8 |
6,6 |
16 |
| 8 |
8 |
7,2 |
11,9 |
| 9 |
8 |
7,7 |
9,1 |
| 10 |
8 |
8,2 |
7,2 |
| 2,5 |
9 |
3,0 |
- |
| 3 |
9 |
3,5 |
151 |
| 4 |
9 |
4,4 |
47 |
| 5 |
9 |
5,2 |
27 |
| 6 |
9 |
6 |
18 |
| 7 |
9 |
6,6 |
13,3 |
| 8 |
9 |
7,2 |
10,2 |
| 9 |
9 |
7,7 |
8,1 |
| 10 |
9 |
8,2 |
6,6 |
| 0 |
16 |
0 |
48 |


| Hersteller |
Typ |
Z (Ohm) |
Pmax (W) |
Einbau-Loch (mm) |
Preis (EUR) |
Bemerkung |
| MONACOR | LP-100-8 | 8 |
15 |
9? |
13 |
Knopf steht hervor |
| MONACOR | AT-52H | 8 |
50 |
9 |
20 |
Knopf steht hervor |
| MONACOR | AT-62H / AT-62SK |
8 |
100 |
9 |
24 |
Knopf steht hervor |
| VISATON | LC 57 | 8 |
20 |
50 |
15 |
Knopf steht nicht hervor,
OFF/AUS-Stellung, direkt einbaubar |
| VISATON | LC 95 | 8 |
100 |
74 |
35 |
Knopf steht nicht hervor, versenkt, mit Skala ,direkt einbaubar |
| Fostex |
R 80 B -8 Ohm |
8 |
100 |
? |
50 |
mit Skala |
| Fostex | R 82 B -8 Ohm | 8 |
200 |
? |
90 |
mit Skala |
| Eminence | PX-LPAD |
8 |
100 |
? |
50 |
- |




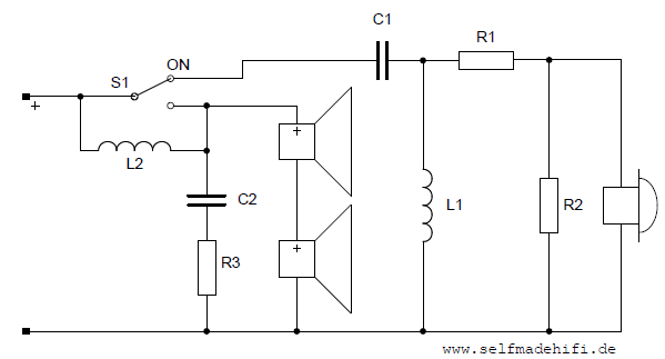
Hochpass in S1=3 ![]() |
Hochpass in S1=2![]() |
Tiefpass:![]() |
HP S1=2 und TP zusammen, Hochtöner
verpolt:![]() |
![]() (Die Impedanzkurve aus REW wurde hier importiert und mitsimuliert. |




So sah die Box (noch mit Parallelschaltung) und
nachgerüsteten Piezo-Tweeter von innen aus.
Die gleiche Bohrung in der Front wurde auch für den neuen
Hochtöner verwendet. Hier wurden übergangsweise für die
Messungen mit einer Lüsterklemme beide Breitbänder in
Serie geschaltet. Leider lässt sich mit überschaubarem
Aufwand der neue Hochtöner auch nur von hinten befestigen.
Das geschah über einen Adapter, bei dem zwei
6-mm-Multiplex-Platten aufeinandergeleimt wurden. So
konnte der Hochtöner ohne Fräser versenkt werden, um dann
von vorn auf die Adapterplatte geschraubt zu werden. Diese
Adapterplatte samt Tweeter wurde dann von hinten mit etwas
Silikon an die Boxenfront geschraubt, um alles dicht zu
befestigen.
